در صنعت ساختوساز، بتن به عنوان یکی از پرکاربردترین مصالح، نیاز به کنترل دقیق پارامترهای مختلف دارد تا دوام و عملکرد مطلوب آن تضمین شود. یکی از این پارامترها، وجود هوا در بتن است که میتواند تأثیرات مثبت یا منفی بر ویژگیهای نهایی بتن داشته باشد. در این مقاله، به بررسی جامع هوا در بتن میپردازیم، از جمله روشهای اندازهگیری، استانداردها و تجهیزات مرتبط. این موضوع برای مهندسان عمران، پیمانکاران و تولیدکنندگان بتن اهمیت ویژهای دارد، زیرا کنترل مناسب هوا میتواند از آسیبهای ناشی از یخزدگی جلوگیری کند و مقاومت سازه را افزایش دهد. شرکت استاندارد ماشین، با تمرکز بر تولید دستگاههای بچینگ پلانت پیشرفته، نقش کلیدی در تولید بتن با کیفیت ایفا میکند و تجهیزات ما میتواند به کنترل دقیق هوا در فرآیند اختلاط کمک نماید.
درصد هوای بتن تازه: اهمیت اندازهگیری اولیه
درصد هوای بتن تازه، به مقدار هوایی اشاره دارد که در مخلوط بتن قبل از سخت شدن وجود دارد. این هوا معمولاً به صورت حبابهای ریز یا درشت در بتن توزیع میشود و میتواند از طریق فرآیند اختلاط، افزودنیها یا مواد اولیه وارد شود. بر اساس تحقیقات مهندسی، درصد هوای بتن تازه باید در محدوده خاصی نگه داشته شود تا بتن نهایی از نظر دوام و مقاومت فشاری مطلوب باشد. برای مثال، در بتنهای معمولی بدون افزودنی هواساز، درصد هوا حدود ۱ تا ۳ درصد است، در حالی که در بتنهای حبابدار، این مقدار میتواند تا ۸ درصد افزایش یابد.
اندازهگیری درصد هوای بتن تازه از طریق روشهای استاندارد مانند روش فشاری یا حجمی انجام میشود. این آزمایشها کمک میکنند تا اطمینان حاصل شود که بتن در مرحله تازه، ویژگیهای لازم برای کاربرد در پروژههای ساختمانی را دارد. در سایت استاندارد ماشین ، ما دستگاههای بچینگ را طوری طراحی کردهایم که اختلاط یکنواخت را تضمین کنند و از ورود هوای ناخواسته جلوگیری نمایند، که این امر مستقیماً بر درصد هوای بتن تازه تأثیر مثبت میگذارد.

آزمون درصد هوا بتن: روشها و استانداردهای اجرایی
آزمون درصد هوا بتن یکی از آزمایشهای کلیدی در کنترل کیفیت بتن است. این آزمون بر اساس استانداردهای بینالمللی مانند ASTM C231 یا استانداردهای ملی ایران انجام میشود و هدف آن تعیین دقیق مقدار هوا در بتن است. روش فشاری، که محبوبترین روش در ایران است، شامل قرار دادن نمونه بتن در یک ظرف تحت فشار و اندازهگیری تغییر حجم است. در این روش، فشار اعمالشده باعث خروج هوا میشود و درصد آن محاسبه میگردد.
برای اجرای آزمون درصد هوا بتن، تجهیزات خاصی مانند هواسنج بتن مورد نیاز است. این دستگاهها با دقت بالا، درصد هوا را نمایش میدهند و به مهندسان اجازه میدهند تا تنظیمات لازم را در طرح اختلاط اعمال کنند. اهمیت این آزمون در جلوگیری از مشکلات آینده مانند ترکخوردگی ناشی از انبساط یخ در بتن است. در پروژههای بزرگ، مانند سدسازی یا پلسازی، آزمون درصد هوا بتن به صورت منظم انجام میشود تا کیفیت بتن حفظ شود.
درصد هوای مجاز بتن: محدودههای استاندارد و تأثیر بر دوام
درصد هوای مجاز بتن بر اساس نوع پروژه و شرایط محیطی تعیین میشود. طبق استاندارد درصد هوای بتن در ایران، که بر پایه ASTM و مقررات ملی ساختمان است، برای بتنهای در معرض یخزدگی، درصد هوا باید بین ۴ تا ۷ درصد باشد. این محدوده کمک میکند تا حبابهای هوا به عنوان بافر عمل کنند و از آسیب ناشی از انجماد آب جلوگیری نمایند. در مقابل، برای بتنهای داخلی یا بدون فشار به سرما، درصد هوای مجاز بتن حدود ۱ تا ۳ درصد است تا مقاومت فشاری کاهش نیابد.
مقدار حباب هوای مجاز بتن نیز به اندازه سنگدانهها بستگی دارد؛ برای سنگدانههای ریز، مقدار بالاتر مجاز است. رعایت این استانداردها ضروری است، زیرا درصد هوای بیش از حد میتواند منجر به کاهش مقاومت شود، در حالی که کمبود آن دوام بتن را در شرایط سخت کاهش میدهد.
آزمایش تعیین درصد هوای بتن: مراحل اجرایی و نکات کلیدی
آزمایش تعیین درصد هوای بتن شامل مراحل مشخصی است: ابتدا نمونه بتن تازه تهیه میشود، سپس در ظرف دستگاه قرار میگیرد و با تراکم مناسب فشرده میشود. پس از اعمال فشار، تغییر حجم اندازهگیری و درصد هوا محاسبه میگردد. این آزمایش هوای بتن باید در محل پروژه یا آزمایشگاه انجام شود تا نتایج واقعی باشند.
در آزمایش تعیین درصد هوای بتن، عواملی مانند دما و رطوبت محیط تأثیرگذار هستند، بنابراین شرایط استاندارد باید رعایت شود. نتایج این آزمایش میتواند طرح اختلاط را تنظیم کند، مانند افزودن مواد هواساز برای افزایش حبابها.

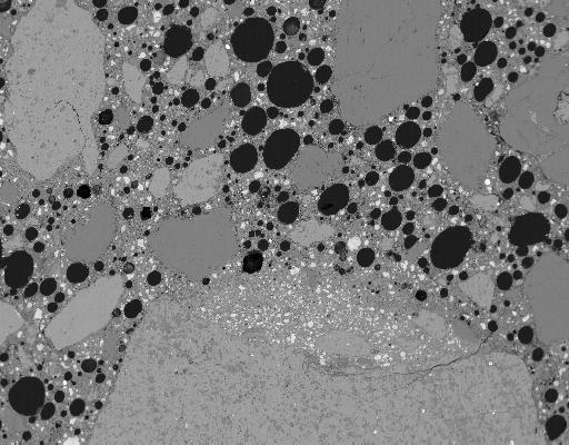
علت حباب در بتن: عوامل ایجاد و کنترل آن
علت حباب در بتن میتواند متنوع باشد؛ از جمله اختلاط ناکافی، استفاده از آب زیاد، یا ورود هوا از طریق پمپاژ. حباب هوا در بتن گاهی مفید است، مانند در بتنهای حبابدار که مقاومت در برابر یخزدگی را افزایش میدهد، اما حبابهای درشت میتواند معایب وجود هوا در بتن را برجسته کند، مانند کاهش مقاومت فشاری یا ایجاد سطوح ناهموار.
هوازایی در بتن از طریق افزودنیهای شیمیایی مانند رزینهای طبیعی انجام میشود. این فرآیند، حبابهای ریز و پایدار ایجاد میکند که دوام بتن را بهبود میبخشد.
از بین بردن حباب بتن: روشهای عملی برای کاهش هوا
از بین بردن حباب بتن در مواردی ضروری است که هوا بیش از حد مجاز باشد. روشهایی مانند ویبره کردن بتن با فرکانس بالا، استفاده از افزودنیهای ضدحباب، یا تنظیم طرح اختلاط میتواند مؤثر باشد. در دستگاههای بچینگ استاندارد ماشین، سیستمهای اختلاط پیشرفته کمک میکنند تا حبابهای ناخواسته کاهش یابند و بتن یکنواختتری تولید شود.
معایب وجود هوا در بتن شامل کاهش چگالی، افزایش نفوذپذیری و کاهش دوام است. بنابراین، کنترل دقیق از طریق آزمایش هوای بتن ضروری است.
دستگاه تعیین درصد هوای بتن: ابزارهای پیشرفته برای کنترل کیفیت
دستگاه تعیین درصد هوای بتن، که اغلب به عنوان هواسنج بتن شناخته میشود، ابزاری ضروری در آزمایشگاههای بتن است. این دستگاهها در دو نوع A و B موجود هستند و بر اساس اصل فشاری کار میکنند. نوع A برای بتنهای با سنگدانههای درشتتر مناسب است، در حالی که نوع B برای مخلوطهای ریزتر استفاده میشود. دستگاه شامل یک ظرف، پمپ دستی و گیج فشار است که درصد هوا را مستقیماً نشان میدهد.
در بازار ایران، دستگاه تعیین درصد هوای بتن از برندهای معتبر مانند آزمون ساز مبنا یا آزمان تجهیز مهام عرضه میشود. این ابزارها با دقت ۰.۱ درصد، اندازهگیری را انجام میدهند و به تولیدکنندگان بتن کمک میکنند تا از رعایت استانداردها اطمینان حاصل کنند. در ارتباط با محصولات استاندارد ماشین، دستگاههای بچینگ ما میتوانند با این هواسنجها یکپارچه شوند تا در فرآیند تولید، درصد هوا کنترل شود و بتن با کیفیت بالاتری تحویل گردد.
استاندارد درصد هوای بتن: مقررات ملی و بینالمللی
استاندارد درصد هوای بتن در ایران بر اساس مبحث نهم مقررات ملی ساختمان و استانداردهای ASTM تعریف شده است. این استانداردها محدودههای مجاز را برای انواع بتن مشخص میکنند و تأکید بر استفاده از تجهیزات دقیق مانند هواسنج بتن دارند.
درصد هوای بتن باید با توجه به کاربرد سازه تنظیم شود؛ برای مثال، در مناطق سردسیر، درصد بالاتر توصیه میشود. رعایت این استانداردها نه تنها کیفیت را تضمین میکند، بلکه هزینههای تعمیرات آینده را کاهش میدهد.
هواسنج بتن: کاربرد و انتخاب مناسب
هواسنج بتن ابزاری است که برای اندازهگیری مستقیم درصد هوا استفاده میشود. این دستگاهها با قابلیتهای دیجیتال یا آنالوگ، دقت بالایی ارائه میدهند و در آزمایشگاههای بتن ضروری هستند. انتخاب هواسنج مناسب بستگی به حجم پروژه و نوع بتن دارد.
در نهایت، درک جامع هوا در بتن و کنترل آن از طریق آزمونها و تجهیزات پیشرفته، کلیدی برای موفقیت در پروژههای ساختمانی است. شرکت استاندارد ماشین با ارائه دستگاههای بچینگ مدرن، به شما کمک میکند تا بتن با درصد هوای بهینه تولید کنید. برای اطلاعات بیشتر، به وبسایت استاندارد ماشین مراجعه نمایید.

سوالات متداول درباره هوا در بتن
۱. درصد هوای مجاز بتن چقدر است؟
درصد هوای مجاز بتن بسته به نوع پروژه و شرایط محیطی متفاوت است. طبق استاندارد درصد هوای بتن، برای بتنهای در معرض یخزدگی، مقدار حباب هوای مجاز بتن بین ۴ تا ۷ درصد توصیه میشود، در حالی که برای بتنهای معمولی، حدود ۱ تا ۳ درصد کافی است. این محدودهها بر اساس آزمون درصد هوا بتن تعیین میگردند تا دوام سازه حفظ شود.
۲. علت حباب در بتن چیست؟
علت حباب در بتن میتواند شامل اختلاط نامناسب، استفاده از افزودنیهای هواساز، یا ورود هوا از طریق پمپاژ و مواد اولیه باشد. حباب هوا در بتن گاهی مفید است و از طریق هوازایی در بتن ایجاد میشود تا مقاومت در برابر انجماد افزایش یابد، اما حبابهای درشت میتواند معایب وجود هوا در بتن مانند کاهش مقاومت فشاری را به همراه داشته باشد.
۳. چگونه آزمایش تعیین درصد هوای بتن انجام میشود؟
آزمایش تعیین درصد هوای بتن با استفاده از هواسنج بتن یا دستگاه تعیین درصد هوای بتن صورت میگیرد. در این آزمایش هوای بتن، نمونه بتن تازه در ظرف تحت فشار قرار میگیرد و درصد هوا بر اساس تغییر حجم محاسبه میشود. این روش بر پایه استانداردهای ملی و بینالمللی مانند ASTM اجرا میشود و برای کنترل درصد هوای بتن تازه ضروری است.
نتیجهگیری
در نهایت، کنترل هوا در بتن عامل کلیدی در تضمین دوام، مقاومت و کیفیت سازههای بتنی است. با رعایت استاندارد درصد هوای بتن و استفاده از ابزارهایی مانند دستگاه تعیین درصد هوای بتن، میتوان از مزایای حبابهای هوا بهره برد و معایب وجود هوا در بتن را به حداقل رساند. شرکت استاندارد ماشین با ارائه تجهیزات پیشرفته بچینگ، به تولید بتن با درصد هوای بهینه کمک میکند.
